雙針壓力表的選型說明書
| 文件名稱: | 雙針壓力表的選型說明書 | ||||||||||
| 更新時間: | 2016.04.15 | ||||||||||
| 文件大小: | 1 | ||||||||||
| 瀏覽次數: | |||||||||||
| 下載地址: | ![]() |
||||||||||
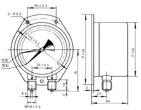
| 相關說明: | 一、簡介說明: YZS-102系列雙針壓力表主要適用于機車車輛上用來測量液壓系統或儲氣缸的確良壓力,亦可用于對銅合金錫鉛合金釬焊無腐蝕性,非結晶和凝固的種介質的壓力測量。可同時測量兩個相同或不相同(兩者之差一般應不大于標度范圍上的限值的1/3)的壓力。 二、結構原理: YZS-102系列雙針壓力表由兩套各自獨立的測量系統和指示裝置等組成。 YZS-102系列雙針壓力表的工作原理是基于彈性元件(測量系統中的彈簧管)的彈性變形。即在被測介質的壓力作用下,迫使兩彈簧管之末端各自產生相應的位移,借助于拉桿經此輪傳動機構的傳動并予放大,由固定于此輪軸上的紅、黑指針將兩個被測值分別在刻度盤上指示出來。 三、技術指標: 1、準確度等級:1.5; 2、測量范圍:0~1000;1200*;1600;2500KPa(標*者為特殊規格); 3、使用環境條件:5~60℃,相對濕度不大于80%; 4、溫度影響:不大于0.4%/10℃(使用溫度偏離20±5℃); 5、重量:0.7Kg。 四、型號表示:
![]() |


